约瑟电器 WY-31A1电压继电器 DC110V 板后接线 返回系数高 种类多样化(约瑟百科)





系列型号:
单相
WY-35A1电压继电器;WY-35B1电压继电器;WY-35C1电压继电器;WY-31A1电压继电器;WY-31B1电压继电器;
WY-31C1电压继电器;JY-45A1电压继电器;JY-45B1电压继电器;JY-45C1电压继电器;JY-45D1电压继电器;
JY-41A1电压继电器;JY-41B1电压继电器;JY-41C1电压继电器;JY-41D1电压继电器;
两相
WY-35A3电压继电器;WY-35B3电压继电器;WY-35C3电压继电器;WY-31A3电压继电器;WY-31B3电压继电器;
WY-31C3电压继电器;JY-45A3电压继电器;JY-45B3电压继电器;JY-45C3电压继电器;JY-45D3电压继电器;
JY-41A3电压继电器;JY-41B3电压继电器;JY-41C3电压继电器;JY-41D3电压继电器;
三相
WY-35A4电压继电器;WY-35B4电压继电器;WY-35C4电压继电器;WY-31A4电压继电器;WY-31B4电压继电器;
WY-31C4电压继电器;JY-45A4电压继电器;JY-45B4电压继电器;JY-45C4电压继电器;JY-45D4电压继电器;
JY-45A4D电压继电器;JY-45A4T电压继电器;JY-45B4D电压继电器;JY-45B4T电压继电器;JY-45C4D电压继电器;
JY-45C4T电压继电器;JY-45D4D电压继电器;JY-45D4T电压继电器;JY-41A4电压继电器;JY-41B4电压继电器;
JY-41C4电压继电器;JY-41D4电压继电器;JY-41A4D电压继电器;JY-41A4T电压继电器;JY-41B4D电压继电器;
JY-41B4T电压继电器;JY-41C4D电压继电器;JY-41C4T电压继电器;JY-41D4D电压继电器;JY-41D4T电压继电器;
WY-35A4D电压继电器;WY-35A4T电压继电器;WY-35B4D电压继电器;WY-35B4T电压继电器;
WY-35C4D电压继电器;WY-35C4T电压继电器;WY-35D4D电压继电器;WY-35D4T电压继电器;
WY-31A4电压继电器;WY-31B4电压继电器;WY-31C4电压继电器;WY-31D4电压继电器;
WY-31A4D电压继电器;WY-31A4T电压继电器;WY-31B4D电压继电器;WY-31B4T电压继电器;
WY-31C4D电压继电器;WY-31C4T电压继电器;WY-31D4D电压继电器;WY-31D4T电压继电器;
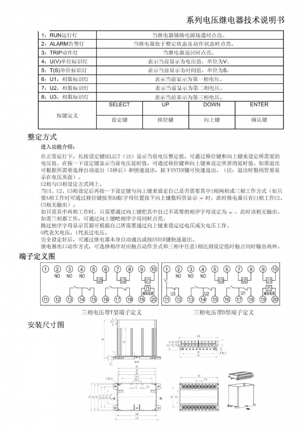
一、主要功能
- 过电压保护:当电力系统中的电压超过设定值时,WY-31A1电压继电器能够迅速动作,切断电路或发出报警信号,以保护设备免受损害。
- 欠电压闭锁:在电压低于设定值时,继电器可以闭锁相关电路,防止设备在欠电压状态下运行。
- 实时监控:该继电器通常由数字电路构成执行回路,具有实时测量并显示当前电压值的功能,方便用户实时监控电压状态。
- 延时功能:具有延时整定功能,可根据实际需要设置延时时间,以避免因短暂电压波动而误动作。
二、技术参数
- 额定辅助电源:DC50~320V 或 AC30~265V,能够适应不同的电源环境。
- 额定输入电压:通常包括100V、200V、400V等多种规格,满足不同电力系统的需求。
- 电压整定范围:(0.1-1.0)Ue,用户可以根据实际需要设置合适的电压整定值。
- 电压精度:±5%,确保继电器能够精确感知电压变化。
- 延时整定范围:0.1-99.9S,延时精度较高,可达2%±50ms。
- 接点容量:载流容量一般为5A,断弧容量在DC下为30W,在AC下为62.5VA,能够满足大多数电力系统的需求。
三、产品特点
- 灵敏度高:能够精确感知电压变化,确保在电压异常时及时动作。
- 多相输入:支持多相输入,各相可以同时整定,出口同一继电器,方便多相电压监控。
- 安装方便:采用导轨安装方式,便于在配电柜中安装和更换。
- 绝缘性能良好:继电器各电路与外露导电部分之间,以及各独立回路之间,分别用开路电压为1000V的摇表测试其绝缘电阻,应不低于100MΩ。同时,继电器各电路与外露导电部分之间,以及各独立回路之间,应能承受2KV(50HZ)交流试验电压,历时1min的试验,无绝缘击穿或闪络现象。
四、应用场景
WY-31A1电压继电器主要用于发电机、变压器和输电线的继电保护装置中,作为过电压或欠电压闭锁的动作元件。在电力系统中,它能够有效地保护设备免受电压异常的影响,确保电力系统的稳定运行。










